WAAS(SBAS)简介
WAAS(Wide Area Augmentation System)即广域增强系统,是星基增强系统(SBAS)的一种,是为了提高飞机的飞行定位精度由美国联邦航空局(FAA)及美国交通部开发的一套GPS配套辅助系统,用来提高GPS定位的精度。也可以说,美国的SBAS就是指WAAS。
虽然目前SBAS在国内还没有应用,但我国也在论证和筹备北斗SBAS的建设。根据我国代表团在2015年4月1日至3日欧空局(ESA)组织召开的第28届兼容互操作工作组(IWG)会议发言,北斗SBAS将向中国及其周边地区提供单频星基增强服务和双频多星座星基增强服务,预期的服务等级为能够达到I类精密进近。
WAAS系统现由38个广域监测站(Wide-area Reference Station—WRS)、3个广域主控站(Wide-area Master Station—WMS)、3颗地球同步卫星(GEOstationary—GEO)、6个地面上行注入站(Ground Uplink Stations—GUS)、2个操作控制中心(Operational Control Center—OCC)以及陆地通信网络(Terrestrial communication Network—TCN)组成。
WAAS提升了GPS信号的精度、完整性、可用性和持续性,并且WAAS的静地卫星可以弥补一些GPS信号盲区。理论上WAAS可以实现从起飞到进近再到复飞的整个航段的导航。
WAAS的特点是能够在无需使用地面导航设备的情况下提供垂直引导,并且不会像baro-VNAV一样受到温度和气压的影响。但是WAAS也存在容量限制的问题,在位于WAAS覆盖范围边缘的一些机场,可能无法提供有效的WAAS垂直引导。
进近标准
WAAS主要应用于进近阶段,航图标识为RNAV(GPS),可以提供LPV(Localizer Performance with Vertical Guidance)和LP(Localizer Performance without Vertical Guidance)两种飞行标准。
LPV标准:
LPV标准的进近是利用WAAS提供高精度的垂直引导和水平引导,类似于I类精密进近(ILS)。就像ILS进近一样,LPV具备垂直引导功能使飞机可以下降到决断高度(DA)之前。
LPV标准的进近还增加了角度引导,其精度随着飞机与跑道距离的缩小而提高,能够达到ILS进近时的精度。这样的设计是为了ILS进近时可以随时向向RNAV(GPS)中的LPV进近过渡。
LP标准:
LP标准的进近时利用WAAS提供水平引导,其精度随着飞机与跑道距离的缩小而提高,类似于航向道进近(localizer approach)。跟LPV不一样,LP进近使用的是最低下降高度(MDA),而非决断高度(DA)。
此外,公布了LP标准的航图中不会再包含像LNAV/VNAV或LPV这样有垂直引导的进近标准。因为就是由于地形、越障等原因导致无法实施垂直引导,所以才建立LP标准。只有当LP标准低于LNAV标准时,二者才会同时出现在一张航图上。
需要注意的是,LP并不是LPV的降级,在实施LP标准的进近时,可以使用垂直引导作为参考,但只有气压高度表的信息能作为有效依据。
LPV和LP属于RNP APCH标准,其运行要求和设备要求同RNP APCH一致,如下图:
航图识读
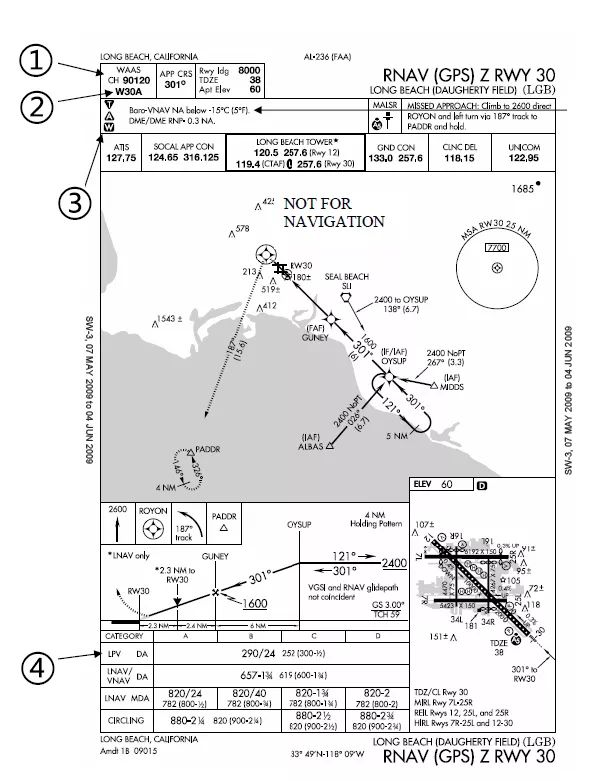
在RNAV(GPS)进近图上有专门的WAAS相关标识,其含义如下图所示:
①WAAS的频道号码,CH是channel的缩写,90120是频道号。
②WAAS的进近ID和RPI。RPI是reference path identifier的缩写,译为:参考路径识别码。W:WAAS;30:30号跑道;A:30号跑道的第一套WAAS进近程序,如果还有其他WAAS进近程序,则用B、C、D…表示。
③“W”标识意为FAA不提供WAAS的LNAV/VNAV或LPV垂直引导失效的通告,因为该WAAS垂直引导服务可能会由于信号覆盖不稳定的原因在短时间内频繁失效。使用该进近图时,合格证持有人的飞行计划中只能使用LNAV的飞行标准。如果在进近时机上设备表明LNAV/VNAV或LPV垂直引导可用,那么飞行员就可以使用垂直引导进近。
④LPV的最低着陆标准。
应急程序
虽说使用WAAS不依赖地面导航设备,但是如果GPS、WAAS或机载设备出现故障或无法提供服务时,则根据飞机所处的不同飞行阶段以及故障情况,需要采取相应的应急措施。FAA给出了不同情况下的应急程序。
由于WAAS服务降级,导致LPV或LP标准不可用
1.当飞机飞越FAF之前:
发生服务降级后,LNAV或LNAV/VNAV仍然可用。
使用LNAV或LNAV/VNAV标准继续进近。
否则,需要选择地基导航设备提供的传统进近程序或者备降。
2.当飞机已经飞越FAF,告警可能导致只有LANV标准可用:
如果飞机位于MDA之上,则可以继续使用LNAV标准进近。
如果飞机低于要求的高度,且无法通过目视着陆,则需要立即复飞。
无WAAS服务,该情况类似于无GPS增强设备
1.当飞机飞越FAF之前:
机上设备将通过FDE检测完整性。
如果没有水平引导告警或其他的完整性告警,则可以使用LNAV标准完成进近。
如果有水平引导告警或完整性告警,则飞行员应完成以下工作之一:
a.在油量允许的情况下,向ATC申请进入等待程序,直到告警消除。
b.向ATC申请使用可用的地基导航设备进近程序。
c.向ATC申请备降到其他机场。
2.当飞机已经飞越FAF,如果有水平引导告警或完整性告警,且无法通过目视着陆,则需立即复飞。
GPS或是机载设备失效完全失效
当GPS服务或相关机载设备完全失效时,所有的RNAV(GPS)进近都将无法使用。在这种情况下,飞行员必须使用基于地面导航设备的仪表近进程序,例如VOR、NDB或ILS。